Ruční ohýbačka plechu FSBM 1270-20 E | 3772127
Kód: 3772127Související produkty
Detailní popis produktu
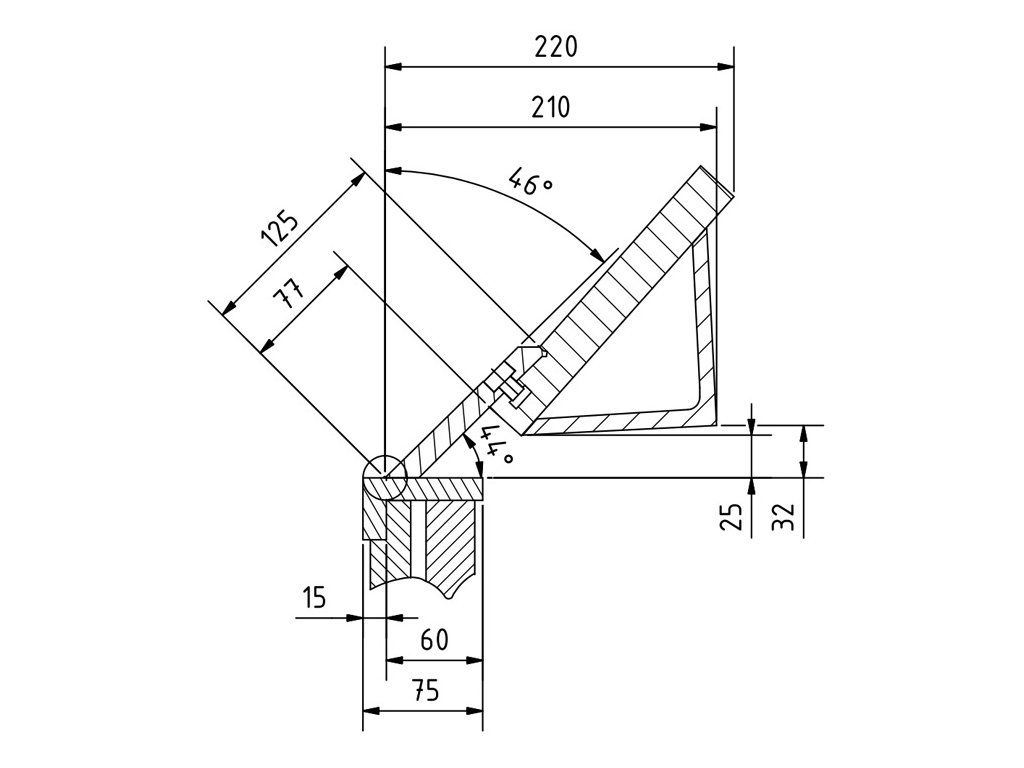
Ruční ohýbačka plechu s nožním ovládáním horní lišty. Univerzálně použitelná pro průmysl a řemeslné dílny.
- Robustní konstrukce s vysokou vlastní hmotností
- Kvalitní zpracování a jednoduché provedení
- Upnutí materiálu pomocí nožního pedálu nechává obě ruce volné pro ohýbání a manipulaci s materiálem
- Široké rozevření mezi lištami až 50 mm
- Samomazné kluzné ložiska
Doplňkové parametry
| Kategorie: | Ruční ohýbačky plechu |
|---|---|
| Hmotnost: | 340 kg |
| EAN: | 4036351001317 |
| Max. pracovní šířka: | 1270 mm |
| Max. tloušťka plechu (400 N/mm<sup>2</sup>): | 2,0 mm |
| Max. úhel ohybu: | 135 ° |
| Rozměry (š × v × h): | 1600×1175×950 mm |
Buďte první, kdo napíše příspěvek k této položce.
Přidat komentář
