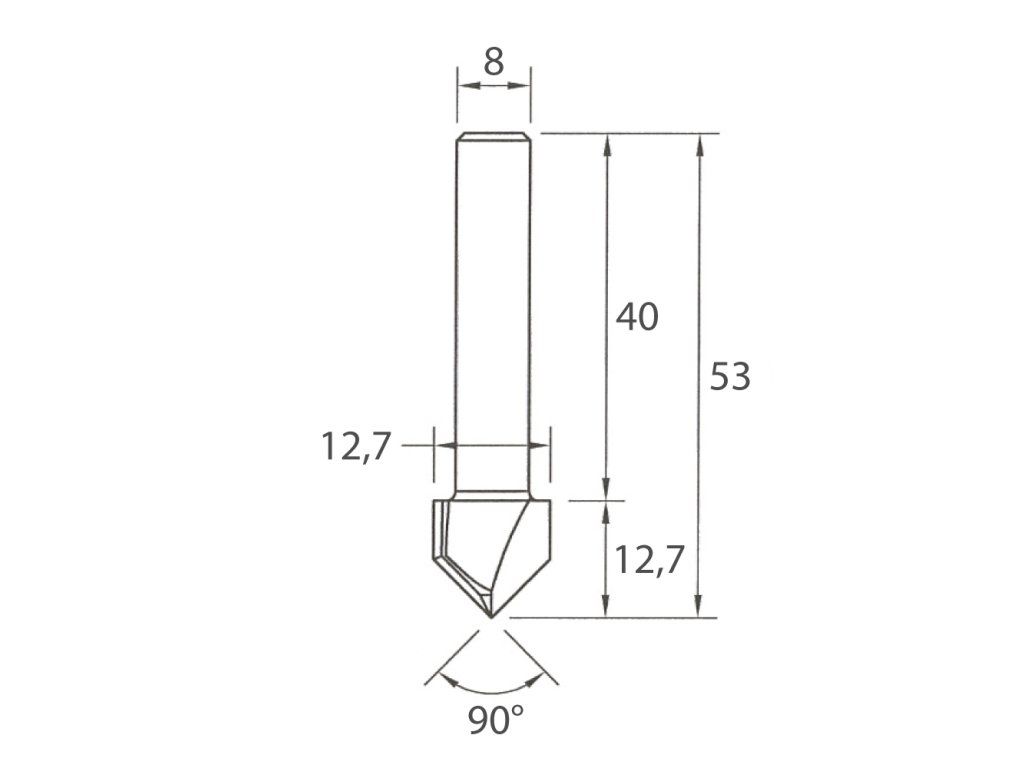
IGM M115 Fréza na V-drážku - 90° D12,7x12,7 L53 S=8 HW | M115-12781
Kód: M115-12781Detailní popis produktu
Fréza na V-drážku M115 se dvěma zuby z tvrdokovu je určená pro frézování a skládání desek ALUCOBOND®. Lze použít v ručních i CNC frézkách.
S horní frézkou vyfrézujte V-drážku, jejíž dno se dotýká vnějšího obalu. Nedotčená vnější deska může být nyní ručně ohnuta s čistou linií kopírující vyfrézovanou drážku. Vnější rádius ohnuté desky závisí na tvaru drážky a její hloubce. Pro frézování podél šablony lze vložit kopírovací ložisko na stopku (s omezovacím kroužkem) nebo použít kopírovací kroužek pro ruční frézku.
Vhodná na kompozitní panely ALUCOBOND®, povrchové úpravy ALUCOBOND® plus a podobné BOND® materiály.
Precizní konstrukce
Každá pájená fréza IGM prochází automatizovaným výrobním procesem na specializovaných CNC strojích, které zajišťují maximální bezpečnost výroby a vynikající přesnost při pájení i ostření řezného plátku. Dokonale vyvážená konstrukce frézy spolu s precizním způsobem ostření na 5-osích CNC strojích garantuje špičkovou výkonnost a čistý řez bez otřepu a pálení materiálu.
Automatizace a moderní technologie výroby značně minimalizuje výskyt jakýchkoli defektů. Mimoto prochází frézy přísnou kontrolou kvality, která odhalí i ty nejmenší odchylky od požadovaných parametrů. Vy tak vždy obdržíte spolehlivý a vysoce kvalitní nástroj splňující náročné požadavky.
Tvrdé a silné tvrdokovové zuby
Pájené frézy IGM vyrábíme z vysoce kvalitního mikrozrného tvrdokovu (slinutý karbid), který zajišťuje mimořádnou odolnost a životnost nástroje. Každý karbidový řezný plátek je vyroben s tvrdostí 93,5HRA (u nerovných plátků s tvrdostí 91HRA) a tloušťkou 2 mm, u nejmenších fréz pak minimálně 1 mm. Vysoká tvrdost zaručuje špičkový řez a tloušťka plátku umožňuje ostří několikrát přebrousit, což prodlužuje životnost každé frézy a udržuje maximální kvalitu řezu. Ostření doporučujeme svěřit odborníkům
Teflonový povlak PTFE
Sytě červený teflonový povlak PTFE na povrchu frézy chrání nástroj před korozí, snižuje tření a zvyšuje odolnost proti napalování třísek, lepidel a pryskyřic. Díky povlaku tak fréza zůstává čistá a zachová si ostří po delší dobu než obyčejné frézy.
Anti-kickback
Design těla frézy s technologií Anti-kickback maximálně zamezuje možnosti zpětného rázu při frézování. Tělo nástroje splňuje náročná kritéria bezpečnosti podle evropských norem EN 847.
Přehledné označení
Na každé stopce frézy jsou laserem vyznačené klíčové parametry a značka „K“, která určuje optimální zasunutí stopky do kleštiny. Mezi uvedenými parametry naleznete kód, řezný průměr, řeznou výšku, průměr stopky a maximální doporučené otáčky.
Praktický obal
Všechny frézy IGM jsou dodávané ve znovu uzavíratelných obalech, které chrání nástroj před poškozením při skladování nebo přepravě na ostření. Plastový obal s jasně viditelnými parametry na štítku usnadňuje organizaci při práci a rychlou výměnu nástroje. Fréza je v obalu pevně zajištěná, proto ji doporučujeme vytahovat opatrně s použitím rukavic.
Doplňkové parametry
| Kategorie: | V-drážkovací a popisové frézy |
|---|---|
| Hmotnost: | 0.032 kg |
| EAN: | 8591761022728 |
Buďte první, kdo napíše příspěvek k této položce.
