Musíte změnit nastavení vašeho prohlížeče
Podívejte se na:
Jak povolit JavaScript ve vašem prohlížeči
.
Pokud používáte software na blokování reklam, může být nutné povolit JavaScript z této stránky.
Děkujeme.
K personalizaci obsahu a reklam, poskytování funkcí sociálních médií a analýze naší návštěvnosti využíváme soubory cookies. Více informací
zde
.
Nastavení
Odmítnout
Souhlasím
Přejít na obsah
Přihlášení k vašemu účtu
Nemůžete vyplnit toto pole
Přihlásit se
Nová registrace
Zapomenuté heslo
Pokračovat do košíku
Zákaznická podpora:
+420 605 121 722
info@elglobal.cz
Doprava a platba
Obchodní podmínky
Ochrana osobních údajů
Aktuality
Novinky Elglobal
Ceny v:
CZK
CZK
EUR
Přihlášení
Hledat
Nákupní košík
Prázdný košík
MILWAUKEE – Aku nářadí a příslušenství
Aku a Elektrické nářadí
Vrtání a sekání
,
Rázové utahováky, hřebíkovačky, nýtovačky...
,
Bourání
,
Broušení
,
Brusky a leštičky
,
Řezání
,
Rádia a reproduktory
,
Speciální nářadí
,
Force Logic
,
Betonování
Sady aku nářadí
M18
,
M12
Čištění kanalizace a odpadů
Vysokorychlostní čističe potrubí s ohebnou hřídelí
,
Stacionární čističe odpadů
,
Sekční čističky
,
Ruční čističe potrubí
,
Příslušenství k čističům potrubí a kanalizace
Úklid pracoviště
Vysavače
,
Nástavce
,
Hadice, filtry a sáčky
Skladování
PACKOUT™
,
TOOLGUARD™ dílenské ocelové skříně a vozíky
,
Pásky, tašky a batohy
,
HD Boxy, organizéry a vozíky
Pracovní osvětlení
Přenosná svítidla
,
Čelové baterky
,
Sady osvětlení
,
Baterky
,
Stojanové a stožárové osvětlení
,
Dílenské osvětlení
,
Příslušenství k osvětlení
Měřidla
Lasery
,
Diagnostika a inspekce
,
Testování a měření
Akumulátory, nabíječky a napájecí zdroje
Akumulátory
,
Nabíječky
,
Napájecí zdroje
,
Sady akumulátorů a nabíječek
Zahradní elektrické nářadí
Sekání trávy
,
Prořezávání a odstraňování
,
Řezání
,
Příslušenství k venkovnímu elektrickému nářadí
,
Postřikovače
,
Péče o půdu, trávník a zeminu
,
QUIK-LOK™ nářadí s výměnnými nástavci
Ruční nářadí
Kladiva, páčidla a sekáče
,
Kleště a klíče
,
Ráčny a nástrčné hlavice
,
Šroubováky a klíče
,
Kleště
,
Pilky a kleště
,
Nože a čepele
,
Řezání a závitování
,
Outdoor Hand Tools
,
Vodováhy
,
Popisování a značení
,
Odizolování kabelů
,
Měření
,
Sady ručního nářadí
,
Protahovací pera
Vyhřívané oblečení a pracovní oděvy
Trička
,
Vyhřívané oblečení
,
Bundy a mikiny
,
Kalhoty
,
Spodní vrstvy
,
Pokrývky hlavy a obličejové masky
Osobní ochranné prostředky
Ochrana proti pádu
,
Ochrana hlavy
,
Ochrana sluchu
,
Bezpečnostní obuv
,
Chladicí produkty
,
Ochrana očí
,
Vysoká viditelnost
,
Ochrana rukou a paží
,
Ochrana kolen
Příslušenství
Vrtání
,
Připevňování
,
Odstraňování materiálu
,
Řezání
,
Sekání
,
Obchodní řešení
,
Sady příslušenství
,
Příslušenství k venkovnímu nářadí
,
Stojany
IGM – profesionální nářadí a vybavení pro truhláře
CNC obrábění
Spirálové frézy
,
Stopkové frézy s výměnými noži, žiletkami
,
Kotouče pro CNC stroje
,
Kleštiny a příslušenství pro upínací hlavy
,
Upínací hlavy
,
Diamantové frézy
,
Dlabací frézy na dveře
,
Upínací systémy pro pilové kotouče
,
HW tvrdokovové žiletky pro CNC nástroje
Truhlářské stroje
Odsavače pilin
,
Podavače
,
Válcové brusky
,
Pásové pily
,
Kotoučové pily
,
Olepovačky hran
,
Soustruhy
,
CNC frézky
,
Válečkové stojany a podstavce
,
Filtry vzduchu
,
Tloušťkovací a srovnávací frézky
,
Kombinované brusky
,
Dlabačky
,
Válečkové oscilační brusky
,
Vrtačky
,
Talířové brusky
,
Lupínkové pily
,
Stolní brusky
,
Spodní frézky
,
Pásové a hranové brusky
Elektronářadí
Horní frézky
,
Oscilační nářadí
,
Ořezávací frézky
,
Pily
,
Příslušenství pro elektronářadí
Příslušenství ke strojům
Příslušenství pro olepovačky hran
,
Příslušenství pro soustruhy
,
Příslušenství pro odsavače
,
Příslušenství pro brusky
,
Příslušenství pro podavače
,
Příslušenství pro filtry vzduchu
,
Příslušenství pro pily
,
Osvětlení strojů
,
Příslušenství pro tloušťkovací a srovnávací frézky
,
Příslušenství pro dlabačky
,
Příslušenství pro kartáčovací stroje
Pilové kotouče
Pilové kotouče pro elektronářadí
,
Příslušenství pro pilové kotouče
,
Pilové kotouče drážkovací
,
Pilové kotouče na lamino, DTD a MDF bez předřezu
,
Pilové kotouče na lamino, DTD a MDF s předřezem
,
Pilové kotouče pro podélné a příčné řezy dřeva
,
Pilové kotouče pro podélné řezy dřeva
,
Pilové kotouče na železné kovy
,
Pilové kotouče do rozmítacích pil
,
Pilové kotouče na cementotřískové desky
,
Pilové kotouče ultra tenké
,
Pilové kotouče na neželezné kovy a plasty
,
Pilové kotouče na plasty, PVC, plexi a CORIAN
,
Pilové kotouče předřezové
,
Pilové kotouče diamantové
,
Pilové kotouče pro příčné řezy dřeva
Stopkové frézy
Talířové drážkovací frézy
,
Drážkovací frézy
,
Spirálové na hliník a PVC
,
Dlabací a srovnávací frézy
,
Úhlové frézy
,
Ořezávací frézy
,
Frézy na okenní těsnění
,
Rybinové frézy
,
Zaoblovací a rádiusové frézy
,
Frézy na zahloubení
,
Čelní frézy
,
V-drážkovací a popisové frézy
,
Frézy na CORIAN
,
Falcovací frézy
,
Profilové okrasné frézy
,
Žlábkové frézy
,
Frézy na madla zásuvky a okrasné hrany
,
Frézy na parapety
,
Frézy na rámy se sklem a příčky
,
Frézy na lepené spoje
,
Frézy na pero a drážku
,
Frézy na rolety
,
Frézy na okenní křídla
,
Frézy na madla zábradlí
,
Frézy na obklady interiérů
,
Frézy na výplně dvířek
,
Frézy na rámy dvířek
,
Sady fréz pro rámy a výplně
,
Příslušenství pro stopkové frézy
,
Sady stopkových fréz
,
Spirálové drážkovací frézy
,
Diamantové drážkovací frézy
,
Žiletkové drážkovací frézy
,
Žiletkové úhlové frézy
,
Žiletkové ořezávací frézy
,
Žiletkové falcovací frézy
,
Žiletkové rádiusové frézy
Vrtáky a sukovníky
Dlabací vrtáky
,
Vrtáky
,
Sukovníky a zátkovníky
,
Záhlubníky
,
Korunkové vrtáky
,
Vrtací frézy na rozety
,
Rychloupínací vrtáky
Kolíkovací vrtáky
Vrtáky pro neprůchozí otvory
,
Vrtáky pro průchozí otvory
,
Záhlubníky
,
Sukovníky
,
Tenké vrtáky a redukce
,
Vrtáky se závitem
,
Upínací pouzdra
Frézovací hlavy, nože a HW žiletky
Drážkovací, falcovací a hoblovací frézy
,
Frézy na spoje
,
Frézy na dveře a dvířka
,
Zaoblovací frézy
,
Příslušenství pro frézovací hlavy, nože a žiletky
,
HW tvrdokovové žiletky speciální
,
Úhlové frézy
,
Univerzální frézovací hlavy
,
HW tvrdokovové žiletky standardní
,
Profilové nože 40x4mm
,
Hoblovací nože
,
Profilové nože 50x4mm
Truhlářské přípravky
Příslušenství pro vrtací přípravky a šablony
,
Příslušenství pro stolky a frézky
,
Frézování ornamentů a cedulí
,
Vodící lišty a pravítka
,
Frézovací stolky
,
Frézování elips a kružnic
,
Vrtací přípravky a šablony
,
Frézování misek
,
Univerzální vrtací hlavy
,
Cinkovací přípravky
,
Šablona pro spoj kuchyňských desek
,
Přípravky na výrobu šablon
,
Přípravek na dveřní zámky
Lepidla a spojovací materiály
Lepidla
,
Příslušenství pro tlakové dávkovače
,
Tlakové dávkovače lepidla
,
Kolíky, lamely a záslepky
,
Ruční nanašečky lepidla
,
Příslušenství pro lepení
Měření, značení a vodováhy
Úhloměry
,
Detektory
,
Značení a rýsování
,
Hloubkoměry
,
Vodováhy
,
Úhelníky
,
Metry a měřítka
Brusivo a povrchová úprava
Brusné papíry a brusivo
,
Protiskluzové podložky a pomůcky
Svěrky a montážní pomůcky
Svěrky
,
Montážní pomůcky
,
Svěráky
,
Pracovní stoly, regály a hoblice
,
Autopříslušenství
Pilové listy, plátky a pásy
Pilové listy pro multifunkční pily
,
Pilové listy pro kmitací pily
,
Pilové listy pro ocasky
,
Pilové pásy
Ostření a brousky
Ruční brousky
,
Brusky na nástroje
Ruční nářadí
Montážní klíče
,
Hoblíky
,
Soustružnická dláta
,
Pokosnice a kosořezy
,
Palice, kladiva a kalače
,
Dláta
,
Šroubováky, bity a nástavce
,
Ruční pily
Ochranné pomůcky
Celoobličejové masky
,
Ochrana očí
,
Ochrana sluchu
Náhradní díly
Matice a podložky
,
Kroužky
,
Ložiska
,
Klínky
,
Šrouby
KOWAX - Svářecí technika a příslušenství
Svářecí technika
Svařovací zdroje MIG/MAG (CO2)
,
Svařovací zdroje (MMA)
,
Svařovací zdroje TIG
,
Plazma
,
Laser
,
Podávací kladky
,
Podvozky
,
Panter Příslušenství ke zdrojům
Samostmívací kukly
Profi kukly
,
Dýchací jednotky
,
Kukly SET
,
Hobby kukly
,
Laserové svařování
,
Panter kukly
Přídavné materiály
MIG/MAG Svařovací dráty
,
MMA Obalované elektrody
,
TIG Svařovací dráty
Příslušenství
Brusivo
,
Svařovací chemie
,
Promo předměty
,
Bruska wolframových elektrod
,
Redukční ventily
,
Lahve tlakové
,
Bruska wolframových elektrod
,
Pilové pásy
Hořáky
Svařovací hořáky TIG
,
Svařovací hořáky MIG
,
Spotřební díly hořáků
AHProfi – dílenské vybavení a servisní technika
Dílenské vybavení
Dílenský nábytek
,
Dílenské stroje
,
Dílenské zvedáky
,
Manipulační technika
,
Vozíky a příslušenství
,
Malé a drobné dílenské vybavení
,
Měřidla a měřící přístroje
,
Montážní materiál
,
Olejové hospodářství
,
Uskladnění
,
Ochranné pomůcky
,
Závěsné systémy
,
Rampy, nájezdy a klíny
,
Ostatní dílenské vybavení
,
Čistící technika a pomůcky
,
Organizéry
Autotechnika
Sady a nářadí na opravy brzd
,
Stahováky
,
Nářadí pro demontáž interiéru a nouzové otevření dveří
,
Nářadí na opravu podvozku a řízení
,
Nářadí a pomůcky pro leštění a čištění aut
,
Aretace rozvodů motoru
,
Nářadí a doplňky pro opravu motoru
,
Opravy autoskel
,
Karosářské nářadí
,
Nářadí pro opravu a servis klimatizace
,
Vybavení pneuservisu
,
Vybavení do terénu
,
Nabíjení a startování
Nářadí
Ruční nářadí
,
Klíče
,
Pneumatické nářadí
,
Ruční elektrické nářadí
,
Sady nářadí
,
Nářadí na stavbu
,
Plynové nářadí
,
Hydraulické nářadí
,
AKU nářadí
Auto a Moto
Vybavení pro autobazar, autosalon a autoservis
,
Autodoplňky
,
Autopříslušenství
,
Autochemie
Zahrada
Nářadí
,
Vodní program
,
Ponorná čerpadla
,
Vozíky
,
Technika
,
Sekačky
,
Hadice s navijákem
,
Žebříky a štafle
,
Stavební a pracovní kozy
ROCKFAST pracovní kozy a stoly | Dílenské stojany
Pracovní kozy
Pracovní stoly
Podstavce a stojany
Pracovní stonožky
Příslušenství k pracovním stonožkám
Svorky a svěráky
Trubkové
,
Jednoruční
,
Speciální
,
Pružinové
,
Paralelní
,
C-svorky
,
Stolařské
,
Pákové
,
Rohové
,
Svěráky
,
Korpusové
,
Hatagane
,
Pásové
,
Stahováky čepů
Tužky a popisovače
Tužky a popisovače
,
Náplně pro tužky
,
Sady tužek
Kladiva a paličky
ČISTÍCÍ TECHNIKA - wapky, podlahové mycí stroje...
Vysokotlaké čističe
Příslušenství k myčkám
,
Benzínové tlakové myčky motorové
,
Produkty s ukončenou výrobou
,
Vysokotlaké čističe profesionální
,
Tlakové myčky s ohřevem vody
,
Tlakové myčky pro dům a zahradu
Podlahové mycí stroje
Příslušenství k mycím strojům
,
Mycí stroje na podlahu
,
Leštící - mycí stroje
,
Chemie a saponáty pro mycí stroje
Vysavače - Extraktory
Dílenské a kancelářské vysavače
,
Průmyslové vysavače
,
Filtry a sáčky do vysavačů
,
Vysavače -příslušenství
,
Krbové vysavače na popel
,
Chemie a saponáty
,
Tepovače - Extraktory
,
Turbínové vysavače
Parní čističe
Parní čističe - příslušenství
,
Parní čističe pro domácnost
,
Parní čističe průmyslové
Svářecí technika
Spotřební materiál - náhradní díly pro svářecí techniku
,
Bodovací svářečky
,
Vodní chlazení
,
Čističe nerezových svárů
,
Indukční ohřívače
,
Motoinvertory
,
Svářečky CO2 INVERTOROVÉ
,
Plazmové řezačky
,
Svářecí kukly
,
Svářecí invertory
,
Svářečky TIG AC/DC
,
Trafosvářečky
,
Vozíky pro svářečky CO2, TIG
Nabíjecí a startovací technika
Příslušenství k nabíječkám
,
Microprocesorové nabíječky
,
Nabíječky autobaterií klasické a pulsní
,
Nabíječky autobaterií s podporou startu
,
Náhradní díly k nabíječkám Telwin
,
Měniče napětí 12 / 230V
,
Testery autobaterií
,
Pojistky pro nabíječky a startovací vozíky
,
Startovací kabely
,
Startovací vozíky napájené ze sítě
,
Startovací zdroje bateriové
Kompresory
Bezolejové kompresory
,
Dvoupístové kompresory 10 bar
,
Filtry, regulátory tlaku, mazací jednotky do kompresoru
,
Pneumatické nářadí
,
Kompresory olejové jednopístové
,
Kompresory dvoupístové 14 bar
Čerpadla - vodárny
Domácí vodárny
,
Ponorná - kalová čerpadla
,
Povrchová zahradní čerpadla
Svářečky a stroje
Zametací stroje
V-GARDEN – zahradní technika a příslušenství
Zahradní sekačky
VeGA
,
WEIBANG
,
PUBERT
,
EUROSYSTEMS
,
CRAMER
Zahradní traktory a ridery
Příslušenství
CRAMER
,
ACTIVE
,
VeGA
,
PUBERT
,
WEIBANG
,
EUROSYSTEMS
Křovinořezy a vyžínače
VeGA
,
ACTIVE
,
CRAMER
Plotostřihy
Půdní vrtáky
VeGA
,
ACTIVE
,
Příslušenství
Motorové pily
VeGA
,
ACTIVE
,
CRAMER
Štípačky na dřevo
Příslušenství
Sněhové frézy a hrabla
Elektrocentrály
Drtiče větví a dřeva
Tlakové myčky
EUROM
Zahradní čerpadla
Provzdušňovače trávníku
Robotické travní sekačky
Přísl. CRAM
,
TECHLine
,
CRAMER
,
Přísl. TECH
Zahradní houpačky
Příslušenství RetiGritti
,
VeGA
Multifunkční stroje
Příslušenství EUROSYSTEMS
Zahradní kultivátory
Příslušenství PUBERT
,
Příslušenství EUROSYSTEMS
,
VeGA
,
PUBERT
,
EUROSYSTEMS
Speciální stroje
Příslušenství EUROSYSTEMS
Zahradní vysavače - foukače
Zahradní nábytek
Potahy a polstry na zahradní nábytek
,
Kovový nábytek
,
Dřevěný nábytek
,
Ratanový nábytek
,
Camping nábytek
,
Altány - Stany
,
Dětský zahradní nábytek
Skleníky
Sestavy kultivátorů s vozíkem - malotraktor
Pásové přepravníky- Power track, Minidumpery
Infrazářiče
Příslušenství
Kolébkové pily/pásové pily
Infrasauny
Zahradní domky
Zametače
Elektrokoloběžky
Rozbrušovací pily
STAVEBNÍ TECHNIKA - BOMAG, GEDA...
Hutnicí technika
Vibrační desky
,
Vibrační pěchy
,
Ručně vedené vibrační válce
,
Ježkový válec
,
Hutnění betonových směsí
GEDA výtahy a vrátky
Šikmé stavební výtahy GEDA
,
Sloupové výtahy GEDA
,
Aku stavební výtahy GEDA
,
Příslušenství k výtahům GEDA
,
Lešenářské vrátky GEDA
Stříkací technika
Řezačky polystyrenu
Shozy na suť
Míchačky stavebních směsí
NIVEL System – stavební měřicí technika
Stavebnictví
Rotační lasery
,
Křížové lasery
,
Systém pro řízení stavebních strojů
,
Optické nivelační přístroje
,
Potrubní lasery
,
Měřící pásma a kolečka
,
Hliníkové vodováhy
,
Digitalní vodováhy
,
Digitální teodolity a Laserové olovnice
,
Laserové dálkoměry
,
Řízení stavby
,
Spreje
Geodézie
Monitoring
,
Příslušenství
,
Stativy a latě
,
GNSS
,
Stabilizace
,
Výtyčky a stojany
,
Nivelační přístroje
,
Totální stanice
,
Kontrolery
,
Radiotelefony a vysílačky
Příslušenství
Nivelační přístroje
,
Rotační lasery
,
Křížové lasery
KINEX - Měřicí technika a měřidla pro dílnu i průmysl
Posuvná měřítka
Lesnické průměrky
,
Analogová posuvná měřítka
,
Speciální posuvná měřítka
,
Rýsovací posuvná měřítka
,
Příslušenství k posuvným měřítkům
,
Digitalní posuvná měřítka
,
Posuvná měřítka s Bluetooth
Mikrometry
Mikrometry s Bluetooth
,
Třmenové mikrometry
,
Speciální mikrometry
,
Mikrometrické tloušťkoměry
,
Třídotekové mikrometry
,
Dvoudotekové mikrometry
,
Mikrometrické hlavice
,
Pasametry
Měřítka
Měřítka plochá
,
Měřítka ohebná
,
Měřítka tenká
Pravítka
Pravítka kontrolní
,
Pravítka kontrolní odlehčená
,
Pravítka kontrolní granitová
,
Pravítka nožová
Podpěrky
V-Bloky / Rýsovací podložky
Měrky
Základní ocelové a keramické měrky
,
Válečkové ocelové a keramické měrky
Metry
Měřicí kolečka a tyče
,
Svinovací metry
,
Měřicí ocelové pásky
,
Měřící pásma
,
Ostatní metry
Úhloměry
Lupy
Měrky a šablony
Ostatní měrky a šablony
,
Měrky ventilové
,
Spároměry
,
Měrky radiusové
,
Měrky závitové
Stojánky
Úchylkoměry
Příslušenství k úchylkoměrům
,
Analogové úchylkoměry
,
Digitální úchylkoměry
,
Úchylkoměry s Bluetooth
Měřidla s Bluetooth
Digitální úchylkoměry s Bluetooth
,
Vodováhy s Bluetooth
,
Bluetooth příslušenství
,
Posuvná měřítka s Bluetooth
,
Mikrometry s Bluetooth
Lesnické průměrky
Hmatadla
Hloubkoměry
Kružítka
Výškoměry
Rýsovací tužky a jehly
Vratidla
Nástavce závitníků
Nástavce závitníků ČSN
,
Nástavce závitníků DIN
Držáky na závitová očka
Úhelníky
Speciální úhelníky
,
Úhelníky ČSN a PN ploché
,
Úhelníky ČSN a PN příložné
,
Úhelníky DIN příložné
,
Sady úhelníků
,
Úhelníky DIN ploché
Sady měřidel
Sady úhelníků
,
Sady kalibrů
,
Sady měřidel
Vodováhy zednické
Libely
Vodováhy strojní
Vodováhy strojní podélné
,
Vodováhy strojní rámové
Ostatní
Momentové klíče
Laserové dálkoměry
Lasery rotační
Lasery rotační
CAMPINGAZ - grily a příslušenství
Grily
Grilovací nářadí
Obaly na grily a nábytek
Plynové kartuše a lahve
Příslušenství k plynovým spotřebičům
Kempingový nábytek
Nádobí
Chemické toalety
Vodní sporty
Elektrické chladící boxy
Chladící tašky a boxy
Lampy
Nafukovací matrace a karimatky
Pumpy
Přístřešky
Turistické vařiče
Termosky
Příslušenství Coleman
Spací pytle
Svítilny
BRANO – zvedací technika a zavírače
Kladkostroje
Kladkostroje obecné
,
Kladkostroje pojízdné
,
Kladkostroje řetězové
Zvedáky
Zvedáky řehtačkové
,
Zvedáky lanové
,
Zvedáky hřebenové
,
Zvedáky kontejnerové
Kočky
Kočky jednonosníkové
,
Kočky postrkové
Lanové navijáky
Mechanické klíny
Závěsná zařízení
Závěsná zařízení bez oka
,
Závěsná zařízení s okem
Zavírače
Zavírače pastorkové
,
Zavírače hydraulické
,
Stavěče dveří
Stroje a příslušenství pro spojování materiálu
Hřebíkovačky a sponkovačky
Pneumatické hřebíkovačky a sponkovačky
,
Plynové hřebíkovačky
,
Aku hřebíkovačky a sponkovačky
,
Ruční sponkovačky
,
Šroubováky na páskované vruty
Spotřební materiál
Sponky
KNIPEX, VOLKEL, PROJAHN - Prémiové nářadí
KNIPEX - Kleště
Kleště pro uchopení
,
Instalatérské kleště a hasáky
,
Bezpečnostní kleště
,
Sady kleští a kufry
,
Nůžky na kabely a drátěná lana
,
Lisovací kleště
,
Kombinované kleště
,
štípací kleště
,
Odizolovací kleště a nástroje
,
Izolované nářadí
,
Ostatní příslušenství
,
Samosvorné kleště
,
Armovací kleště
,
Pinzety
,
Speciální kleště a nářadí
,
Kleště pro elektroniku
,
Klíče na rozvodné skříně
VOLKEL
Sadové ruční závitníky
,
Kalibry
,
Strojní závitníky s bar.označením
,
Soupravy závitořezných nástrojů
,
Strojní závitníky
,
Závitové čelisti
,
TwinBox
,
Kombin.záv. a záv.s 1/4" náhonem
,
Maticové závitníky
,
Strojní maticové závitníky
,
Ruční vratidla
,
Tvářecí závitníky
PROJAHN - nářadí
Bity, sady bitů, příslušenství
,
Dílenské vozíky a příslušenství
,
Kladiva
,
Příslušenství k nářadí
,
Nástrčné hlavice a sady,adaptéry
,
Ostatní nářadí
,
Klíče a sady
,
Kleště, nýtovací kleště
,
Držáky bitů
,
Kapesní lampy, pracovní světla
,
Nářaďové kufry
,
Ráčny
,
Šroubováky, L-klíče,T-klíče
PROJAHN - nástroje
Projahn nástroje-vrtání -kovy
,
Projahn nástroje-vrtání -kámen,beton
,
Projahn nástroje-dřevo
,
Projahn nástroje-pilky,korunky,čepel
,
Projahn nástroje-sady
,
Projahn nástroje-závity
V-COIL - Oprava závitů
Závitové vložky
,
Sady na opravu závitu
,
STI závitníky pro vložky
,
Těsnící kroužky, šrouby
,
Odlamovače
,
STI vrtáky pro vložky
,
Zavaděče
,
Vytahovače
PTG - vrtáky
Jednotlivé
,
Sady
,
Sady záhlubníků, stupňovitých vrtáků
,
Stupňovité vrtáky
,
Sady stopkových fréz
,
Záhlubníky
Rennsteig - vytahovače
PROFIT
Nezařazené
BOW – nářadí a technika
Kovoobrábění
Vrtačky
,
Svěráky
,
Frézky
,
Brusky
,
Soustruhy
,
Pily
,
Nůžky
,
Drážkovačky
,
Úkosovačky
,
Závitořezy
Dřevoobrábění
Brusky
,
Pásové pily na dřevo
,
Příslušenství
,
Soustruhy
,
Truhlářské hoblice
,
Odsávání
,
Hoblovky a protahovačky
,
Stojany, podpěry
,
Kombinované stroje
,
Kotoučové pily na dřevo
,
Dlabačky a kolíkovačky
Tváření
Ohýbačky
,
Zakružovačky
,
Lisy
,
Thermdrill
Svařování
Příslušenství
,
Svařovací kukly
,
Filtrační zařízení
,
Svěrky
,
Svařovací úhlové magnety
,
Magnetické držáky a dorazy
,
Ochranné zástěny
,
Polohovací zařízení a otočné stoly
Kompresory
Přenosné kompresory
,
Pojízdné kompresory
,
Šroubové kompresory
,
Stacionární kompresory
,
Příslušenství kompresorů
,
Bezolejové kompresory
Manipulace
Paletové vozíky
,
Vybavení autodílny
,
Transportní plošiny a podvozky
,
Zvedáky
,
Závěsné váhy
,
Závěsná ramena
,
Zvedací stoly a plošiny
,
Mobilní ventilátory
,
Kladkostroje
,
Ruční a elektrické navijáky
,
Jeřábové pojezdy a závěsy
,
Permanentní magnety
,
Mycí stoly
Elektrocentrály
Elektrocentrály 230 V
,
Elektrocentrály 230 V / 400 V
,
Příslušenství
,
Invertorové elektrocentrály
Čistící a zahradní technika
Příslušenství
,
Vysavače
,
Vysokotlaké čističe
,
Mycí a čistící stroje na podlahy
Technika na stlačený vzduch
Rychlospojky a šroubení
,
Úprava stlačeného vzduchu
,
Bubny, hadice a rozvod stlačeného vzduchu
,
Tlakové nádoby
Pneunářadí
Stříkací pistole
,
Ofukovací pistole
,
Pískovací pistole a boxy
,
Sponkovačky - Hřebíkovačky
,
Ráčnové utahováky
,
Brusky a leštičky
,
Sekací (bourací) kladiva
,
Pneuhustiče
,
Ostatní nářadí
,
Vrtačky a šroubováky
,
Pistole na kartuše
,
Příslušenství a spotřební mat.
,
Rázové utahováky
Ostatní
Měřicí technika
,
Pracovní stoly
,
Průmyslové rohože
,
Navíjecí bubny
,
Pracovní lampy
,
Naše služby
,
Nabíječky autobaterií
,
Odvlhčovače a ohřívače vzduchu
,
Nabíjecí stanice
Nezařazené
Náhradní díly
PRAMARK - průmyslové značení
Kovové šablony
Vypalovací přístroje
Ruční razidla
Důlčíky a úderníky
Gravírovací pera
Popisovače v tubě
Plombovací kleště Saturne
Lakové popisovače
ECOFLOW – bateriové stanice a zdroje energie
EcoFlow DELTA
Nezařazené produkty
Import Canis
Doprava a platba
Kontakty
Obchodní podmínky
Zpracování osobních údajů
Ochrana osobních údajů
Značky
3GON
AHProfi
Aircraft®
Alfin Trading
Annovi Reverberi
BeA
BOMAG
BOSTITCH
BOSTITCH hřebíkovačky a sponkovačky
BOSTITCH hřebíky a spony
BOW
BRANO
Campingaz
CMT Orange Tools
Coleman
GEDA
GEDA příslušenství
GEDA výtahy
HiKOKI
Hitachi
Holzkraft®
Holzstar®
IGM
IGM LAGUNA
JET
Karnasch®
KINEX/K-MET
KM REICH
Knipex
KOWAX
LAGUNA
Lavor
LUMAG Germany
MASTER
Metabo
Metallkraft®
MILWAUKEE
MILWAUKEE M12
MILWAUKEE M12 a M18
Milwaukee MX FUEL
NIVEL SYSTEM
NUMCO
OPTIMUM
PANTERMAX
POLYREZ
PROCRAFT
PROJAHN
RAPID
Rivet Factory
Scangrip
SENCO
Schweißkraft®
STABILA
STORCH
STRONGBOLD
TELWIN
Unicraft®
VeGA
Vigor
VOLKEL
Witte
Yato
Měna
(CZK)
CZK
EUR
Přihlášení
Více
Domů
/
IGM – profesionální nářadí a vybavení pro truhláře
/
Frézovací hlavy, nože a HW žiletky
/
HW tvrdokovové žiletky speciální
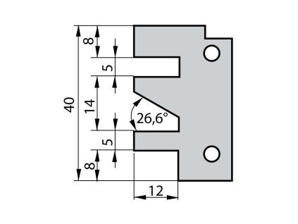
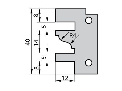
HW tvrdokovové žiletky speciální
, Strana 3
Nejprodávanější
786,50 Kč
–30 %
Profilový nůž pro výplňové frézy č.4 - F635 | F635-91444
SKLADEM do 48h
(1 ks)
Kód:
F635-91444
Původně:
786,50 Kč
(–30 %)
550,55 Kč
(455 Kč bez DPH)
786,50 Kč
–30 %
Profilový nůž pro výplňové frézy č.1 - F635 | F635-91441
SKLADEM do 48h
(1 ks)
Kód:
F635-91441
Původně:
786,50 Kč
(–30 %)
550,55 Kč
(455 Kč bez DPH)
Profilový nůž pro výplňové frézy č. 3 - F635 | F635-91443
Momentálně nedostupné
Kód:
F635-91443
803,44 Kč
(664 Kč bez DPH)
Profilový nůž pro F633,19x12x1,5 spodní braní | F633-0900251
SKLADEM do 48h
(1 ks)
Kód:
F633-0900251
709,06 Kč
(586 Kč bez DPH)
Profilový nůž pro F633,19x12x1,5 horní braní | F633-090025
SKLADEM do 48h
(1 ks)
Kód:
F633-090025
318,23 Kč
(263 Kč bez DPH)
Profilový nůž pro F633, 59x12x1,5 spodní braní | F633-0900271
SKLADEM do 48h
(1 ks)
Kód:
F633-0900271
862,73 Kč
(713 Kč bez DPH)
Profilový nůž pro F633, 59x12x1,5 horní braní | F633-090027
Momentálně nedostupné
Kód:
F633-090027
617,10 Kč
(510 Kč bez DPH)
Profilový nůž pro F620 - 50x24x2mm | F620-091850
SKLADEM do 48h
(1 ks)
Kód:
F620-091850
1 830,73 Kč
(1 513 Kč bez DPH)
1 392,71 Kč
–29 %
Profilový nůž k multiprofilové fréze F650-160, 50x27x2 | F650-091402
SKLADEM do 48h
(1 ks)
Kód:
F650-091402
Původně:
1 392,71 Kč
(–29 %)
975,26 Kč
(806 Kč bez DPH)
1 151,92 Kč
–29 %
Profilový nůž k multiprofilové fréze F650-120, 40x25x2 | F650-091401
SKLADEM do 48h
(1 ks)
Kód:
F650-091401
Původně:
1 151,92 Kč
(–29 %)
807,07 Kč
(667 Kč bez DPH)
Zobrazit více produktů
Řazení produktů
Nejdražší
Nejlevnější
Nejprodávanější
Abecedně
59
položek celkem
Výpis produktů
971,63 Kč
–29 %
IGM Profilový nůž typ B pro F634 spodní | F634-091111
SKLADEM do 48h
(1 ks)
563 Kč bez DPH
681,23 Kč
/ ks
Do košíku
Kód:
F634-091111
IGM Profilový nůž typ ABC pro F634 boční | F634-091113
Momentálně nedostupné
527 Kč bez DPH
637,67 Kč
/ ks
Do košíku
Kód:
F634-091113
971,63 Kč
–29 %
IGM Profilový nůž typ A pro F634 spodní | F634-091110
SKLADEM do 48h
(1 ks)
563 Kč bez DPH
681,23 Kč
/ ks
Do košíku
Kód:
F634-091110
IGM Profilový nůž pro F631 - typ C, spodní braní | F631-091123
SKLADEM do 48h
(1 ks)
1 557 Kč bez DPH
1 883,97 Kč
/ ks
Do košíku
Kód:
F631-091123
IGM Profilový nůž pro F631 - typ C, horní braní | F631-90300
SKLADEM do 48h
(1 ks)
1 557 Kč bez DPH
1 883,97 Kč
/ ks
Do košíku
Kód:
F631-90300
IGM Profilový nůž pro F631 - typ B, spodní braní | F631-091122
SKLADEM do 48h
(1 ks)
1 557 Kč bez DPH
1 883,97 Kč
/ ks
Do košíku
Kód:
F631-091122
IGM Profilový nůž pro F631 - typ B, horní braní | F631-90200
SKLADEM do 48h
(1 ks)
1 557 Kč bez DPH
1 883,97 Kč
/ ks
Do košíku
Kód:
F631-90200
IGM Profilový nůž pro F631 - typ A, spodní braní | F631-091121
SKLADEM do 48h
(1 ks)
1 401 Kč bez DPH
1 695,21 Kč
/ ks
Do košíku
Kód:
F631-091121
IGM Profilový nůž pro F631 - typ A, horní braní | F631-90100
Momentálně nedostupné
1 557 Kč bez DPH
1 883,97 Kč
/ ks
Do košíku
Kód:
F631-90100
IGM Profilový nůž pro 641 - profil E, 40x26x2mm | F641-90100
SKLADEM do 48h
(1 ks)
1 251 Kč bez DPH
1 513,71 Kč
/ ks
Do košíku
Kód:
F641-90100
IGM Profilový nůž pro 641 - profil D, 40x26x2mm | F641-90300
SKLADEM do 48h
(1 ks)
1 251 Kč bez DPH
1 513,71 Kč
/ ks
Do košíku
Kód:
F641-90300
IGM Profilový nůž pro 641 - profil C, 40x26x2mm | F641-90400
SKLADEM do 48h
1 665 Kč bez DPH
2 014,65 Kč
/ ks
Do košíku
Kód:
F641-90400
Ovládací prvky výpisu
Načíst 12 dalších
Stránkování
Nacházíte se na straně 3 z 5.
1
3
5
59
položek celkem
Nahoru
Autorizovaný prodejce
garance originálního zboží
Více než 10 let na trhu
tradice a zkušenosti
Přes 3000 výdejních míst
po celé České republice
Bezpečný nákup
ověřené a zabezpečené platby